Günümüz koşullarında yaşam alanlarında yangın söndürme tesisatı çok önemsenen bir konu haline gelmiştir. Yangın tesisat ekipmanlarının en önemli parçası ise hiç kuşkusuz su deposudur. Yangın anında su deposu işlev görmez ise tesisattaki diğer ekipmanlar hiçbir işe yaramayacaktır. Modüler su depoları sektörde tercih sebebidir ve yaygın olarak yangın tesisatlarında kullanılmaktadır.

Günümüz koşullarında yaşam alanlarında yangın söndürme tesisatı çok önemsenen bir konu haline gelmiştir.

Yangın tesisat ekipmanlarının en önemli parçası ise hiç kuşkusuz su deposudur. Yangın anında su deposu işlev görmez ise tesisattaki diğer ekipmanlar hiçbir işe yaramayacaktır.

Modüler su depoları sektörde tercih sebebidir ve yaygın olarak yangın tesisatlarında kullanılmaktadır.

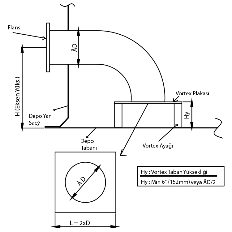
Anti – Vorteks (Girdap önleyici) yapısı pompa emiş hattında tankın iç kısmında yer alır. Büyük debilerde (DN 100) flanşlı bağlantılarda tankın içinde anti – vorteks kullanımı Esinoks tarafından tavsiye edilir. Tank içinde girdap oluşması sonucunda pompa hava emebilir ve devre dışı kalabilir.